耐久性混凝土是指可以長期保持強度和外觀完整性的不用修補等后期維護的混凝土。它在寒冬季節中不會因為結凍再解凍這樣一個循環的過程中而變形,且其表面也不會被腐蝕。在過去的30年中,耐久性混凝土的技術已經有了很大的進步,在多數工程中,耐久性混凝土是工程施工的完美選擇。但是,當耐久性混凝土使用在裝飾混凝土中,高耐久性混凝土就并不那么完美了。
耐久性混凝土的定義
耐久性混凝土主要是以下三個因素的成果:一種混凝土混合物,有大量的混合劑,在寒冷的冬季能攜入空氣。其生產過程中,譬如澆筑及固化的期間,周圍環境將影響到混凝土的耐久性能。
使用輔助膠凝材料(SCM-supplementary cementitious materials)譬如粉煤灰、爐渣、硅土或偏高嶺土這樣的材料,替代部分的硅酸鹽水泥,將大大提高混凝土的耐久性。低水灰比是非常重要的,因此使用減水劑也變得十分重要。
直接在未凝的混凝土中加入大量水,將在混凝土凝固時影響其滲透性。當混凝土的滲透性很高時,水或溶劑等液體將十分容易的流過混凝土?;炷恋亩嗫仔裕ǘx凝土中的孔隙率),關系到混凝土的滲透性。即滲透性由混凝土中孔隙的大小及連通程度決定,在混凝土內部形成類似毛細管的結構,液體在這些連通的空隙中流過。使用低水灰比材料的混凝土,很難產生連通的空隙,但卻有重要的多孔性,就像加氣混凝土。
高耐久性混凝土一般被認為是水灰比低于0.45。美國標準與技術國家協會馬里蘭州蓋瑟斯堡院的院長Dale Bentz說,當水灰比高于0.45時,水泥漿填滿了混凝土中毛細管結構,使得滲透通道堵塞,因此水灰比高于0.5的混凝土并不是耐久性混凝土。

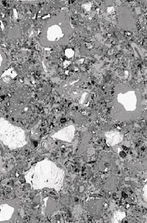
水灰比為0.3的混凝土樣本,未水合的水泥是白色的,其中的黑點就是多個小孔,氫氧化鈣是亮灰色部分,硅酸鈣和其他水合作用產物是生灰色部分。
制造工藝
如今的超塑化劑降低了混凝土的坍落度,因此在增加耐久性的同時仍舊有較好的流動性。通常輔助膠凝材料、水以及水合作用得到的氫氧化鈣混合將產生更多的水化硅酸鈣,這些物質將堵塞毛細管結構,降低滲透性提高耐久性。
明尼蘇達州Cemstone公司只出售耐久性混凝土。技術維護部負責人說表面混凝土使用的水灰比低于0.45,并且合約商不允許在現場添加水?!靶枰冶鹊陀?.45或更低,來滿足產品對凍結和除冰鹽的抵抗。我們提供的混凝土,最低水灰比為0.30左右?!?
耐久性的概述
高耐久性混凝土在作為裝飾施工時會出現問題。任何在混凝土成形后的裝飾方式,例如,酸腐蝕染色,染料染色,以液劑為染色方式的處理辦法都需要通過混凝土中的毛細管結構進入混凝土中。當混凝土中沒有毛細管或者很少時,染色劑只能最小程度的滲透在混凝土表面,這樣就很容易被洗去。
值得思考的是:一旦有部分酸腐蝕染色通過氣孔與氫氧化鈣結合,將產生永久的金屬色。如果兩者不接觸就沒有顏色產生。由于輔助膠凝材料需要與氫氧化鈣反應,所以只有很少量的氫氧化鈣會與酸腐蝕染色劑反應。
另一個潛在的問題是密封材料和涂料在混凝土表面結合,而沒有進入到混凝土中的氣孔或毛細管結構中。即使是具有滲透性的密封涂料也需要連通的氣孔結構才能進入到混凝土中。因此耐久性好的混凝土幾乎沒有毛細管結構,就會抑制密封性能。

電子顯微鏡的掃描圖,圖中黑點表示混凝土表面具有良好的氣孔結構。
在固化期間的提醒
許多裝飾混凝土承包商對他們的工作不做加工處理。這是因為,許多固化過程會導致色變,并且澆筑后的裝飾過程中需要開放式的混凝土表面。水灰比為0.45或更少的耐久性混凝土是否影響其固化呢?明尼蘇達州巖石學家Scott Wolter說,將水與密實混凝土混合有一定的難度?!霸谒冶葹?.40時,只有大約1/32的部分受到影響。”然而,當水灰比高于0.45時,混凝土固化時會出現粉塵化,碳化,鱗裝污點表面等現象。
















